沛城科技以集成电路供应、销售为基石,产品主要应用于电池、电源、电驱、电动汽车等领域,拥有近20个国内外品牌授权代理资质。产品类别从电源、高中低压MOS、IGBT、碳化硅、氮化镓、MCU及MEMS、模拟前端、数字隔离等向新能源领域持续扩充。公司服务市场多年,为业内知名元器件解决方案提供商,可为客户提供专业元器件供应及售后保障服务。
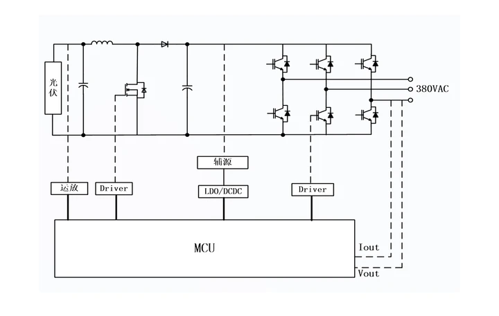
结构框图

主要供应器件
| 主要供应器件 | 规格参数 | 封装 | 主要品牌 |
| IGBT | 650V/1200V、50A/60A/75A//100A | TO-247 | ST、华润微、上海贝岭、芯长征、功成 |
| SiC MOS管 | 1200V、40/28mR | TO-247-4L | ST、DIODES、华润微、上海贝岭 |
| SiC 二极管 | 1200V、20A/30A/40A | TO-247 | ST、华润微 |
| SiC 二极管 | 650V、30A/40A | TO-247 | ST、华润微 |
| MOS管 | 650/600V、30/22mR | TO-247 | 华润微、功成、威兆、上海贝岭 |
| MCU | 100~170MHz、128-512K、cortex-M4、CAN、I2C | LQFP64、LQFP100 | ST、中微、极海 |
| 数字隔离器 | 双通道、多通道、3-5KV隔离电压、宽体封装 | WB、SOIC-16 | DIODES、荣湃、3PEAK、上海贝岭 |
| 485通讯接口芯片 | 高速率、宽电源多节点、全故障安全、250Kbps~4M | SOP8 | ST、3PEAK、上海贝岭 |
| 高精度运放 | 双通道、四通道、高压摆率、低温漂 | SOP-8、SOP-14 | ST、DIODES、3PEAK、芯耐特 |
| CAN收发器 | 高速率、短传播延时低功耗 | SOP8 | ST、3PEAK、上海贝岭 |
| EEPROM | 4~512Kbit、I2C、可车规 | SOP-8 | ST、上海贝岭 |
| 栅极驱动 | 单通道、双通道 | SOP-8 | DIODES、华润微、必易微、荣湃 |
| DSP | 兼容TMS320F37X系列 | LQFP176 | 华太 |